So do he thong boi tron
việc tham khảo sơ đồ hệ thống bôi trơn sẽ giúp chúng ta mường tưởng được cấu tạo và cách hoạt động của nó.
lược đồ Hệ Thống Bôi Trơn: Phân tích Cấu Tạo Và Nguyên Lý Hoạt Động
1. Giới Thiệu Hệ Thống Bôi trơn
Hệ thống bôi trơn đóng vai trò quan yếu trong việc duy trì hiệu suất và tuổi thọ của động cơ. Nhiệm vụ chính của hệ thống này là sản xuất dầu bôi trơn tới những bộ phận di chuyển nhằm giảm ma sát, khiến mát và bảo vệ động cơ khỏi mài mòn. Để hiểu rõ hơn, việc tham khảo sơ đồ hệ thống bôi trơn sẽ giúp chúng ta hình dung được cấu tạo và cách hoạt động của nó.
2. Tầm quan yếu Của Hệ Thống Bôi trơn
Hệ thống bôi trơn ko chỉ đảm bảo vận hành mượt mà mà còn giúp:
Giảm ma sát: hạn chế sự hao mòn của những chi tiết máy.
Tản nhiệt: Dầu bôi trơn hấp thu nhiệt từ các bộ phận nóng, giúp động cơ duy trì nhiệt độ tuyệt vời.
bảo kê động cơ: Ngăn dự phòng hiện tượng oxy hóa và tích tụ cặn bẩn.
Kéo dài tuổi thọ: Đảm bảo các chi tiết máy hoạt động ổn định lâu dài.
Bài viết liên quan: Công Dụng Của Hệ Thống Bôi trơn
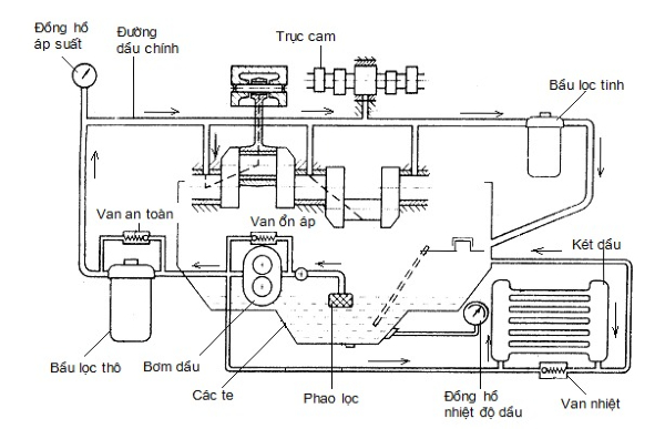
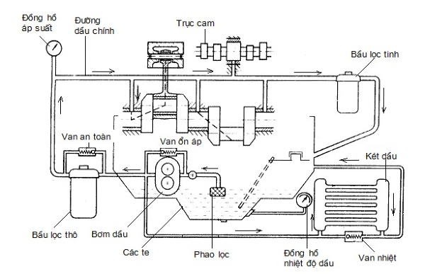
3. lược đồ Hệ Thống Bôi trơn cơ bản
lược đồ hệ thống bôi trơn thường bao gồm những thành phần sau:
Bơm dầu (Oil Pump): Chịu trách nhiệm hút dầu từ cacte và đưa dầu tới các phòng ban cần bôi trơn.
Cacte dầu (Oil Pan): chứa dầu bôi trơn và sản xuất nguồn dầu cho bơm.
Lọc dầu (Oil Filter): dòng bỏ cặn bẩn, tạp chất trong dầu.
Van điều áp (Pressure Relief Valve): Giữ áp suất dầu ổn định trong hệ thống.
Két khiến cho mát dầu (Oil Cooler): khiến mát dầu trước lúc đưa vào bôi trơn.
Ống dẫn dầu (Oil Lines): Kênh dẫn dầu đến các phòng ban chuyển di như trục khuỷu, xi lanh, trục cam.

4. Nguyên Lý Hoạt Động Của Hệ Thống Bôi trơn
thời kỳ hút dầu: Bơm dầu hút dầu trong khoảng cacte.
giai đoạn lọc dầu: Dầu được đẩy qua lọc dầu để mẫu bỏ cặn bẩn.
Cấp dầu: Dầu sạch được dẫn tới các phòng ban động cơ ưng chuẩn các ống dẫn.
Tản nhiệt: Dầu bôi trơn sau đó được làm cho mát ở két dầu trước lúc quay trở lại cacte để tái tiêu dùng.
sơ đồ hoạt động này đảm bảo dầu luôn tuần hoàn liên tiếp, giữ động cơ hoạt động hiệu quả.
Xem thêm: https://katavietnam.hashnode.dev/he-thong-boi-tron-tru-tren-o-to
5. các chiếc Hệ Thống Bôi trơn phổ thông
5.1. Hệ Thống Bôi trơn cưỡng bách (Forced Lubrication System)
Dầu được bơm liên tiếp đến các phòng ban thông qua bơm dầu.
Được dùng nhiều trong các động cơ đương đại.
5.2. Hệ Thống Bôi trơn Vung Té (Splash Lubrication System)
tiêu dùng lực của những chi tiết đi lại để vung dầu bôi trơn lên những bộ phận.
Thường được vận dụng trong động cơ nhỏ.
5.3. Hệ Thống Bôi trơn kết hợp
kết hợp giữa bôi trơn cưỡng bức và vung té.

6. Bảo Dưỡng Hệ Thống Bôi trơn
Để hệ thống bôi trơn hoạt động hiệu quả, việc bảo dưỡng thường xuyên là điều cần phải có. 1 Số lưu ý:
Thay dầu định kỳ: Giúp dòng bỏ dầu cũ đựng rộng rãi tạp chất.
kiểm tra lọc dầu: Thay lọc dầu để đảm bảo dòng dầu lưu thông sạch.
kiểm tra bơm dầu: Đảm bảo bơm dầu hoạt động ổn định, sản xuất đủ áp suất.
Vệ sinh két khiến cho mát dầu: hạn chế hiện trạng két dầu bị nghẹt gây hot dầu.
7. Lỗi Thường Gặp Ở Hệ Thống Bôi trơn
7.1. Áp Suất Dầu tốt
Nguyên nhân: Dầu thiếu, bơm dầu yếu, van điều áp bị lỗi.
cách khắc phục: rà soát và bổ sung dầu, thay thế bơm hoặc van điều áp nếu cần.
7.2. Dầu Bị Nhiễm Bẩn
Nguyên nhân: Lọc dầu hỏng hoặc dùng dầu giả.
bí quyết khắc phục: Thay lọc dầu và sử dụng dầu đạt tiêu chuẩn.
7.3. Nhiệt Độ Dầu Quá Cao
Nguyên nhân: Két khiến mát dầu bị tắc hoặc động cơ quá nhiệt.
bí quyết khắc phục: Vệ sinh két dầu và rà soát hệ thống làm mát động cơ.
8. Kết Luận
Hiểu rõ lược đồ hệ thống bôi trơn và bí quyết hoạt động của nó ko chỉ giúp chúng ta vận hành động cơ 1 cách hiệu quả mà còn tăng độ bền và an toàn cho phương tiện. Việc bảo dưỡng định kỳ là nguyên tố quan yếu để đảm bảo hệ thống này hoạt động ổn định.
nếu bạn muốn Nhận định thêm hoặc cần hỗ trợ chi tiết, hãy địa chỉ có những chuyên gia kỹ thuật để được giải đáp thích hợp.
trong khoảng khoá liên quan: lược đồ hệ thống bôi trơn động cơ, phương pháp bảo dưỡng hệ thống bôi trơn, hệ thống bôi trơn hoạt động như thế nào.
Last updated